Laturi 150A Mahle MG52 (John Deere/MF/Valtra/Fendt/Deutz)
Tuotekoodi: LHLAT2077L
Laturi 150A Mahle MG52 (John Deere/MF/Valtra/Fendt/Deutz)
Tuotekoodi: LHLAT2077LTuotekuvaus
Mahle laturi 150 A – John Deere / Fendt / Deutz (+ Sampo-Rosenlew)
Korkealaatuinen Mahle-vaihtovirtalaturi 150 A. Soveltuu useisiin John Deere-, Valtra -Fendt- ja Deutz -traktoreihin sekä Sampo-Rosenlew 3000 -sarjan puimureihin. Sopivuuksia myös Massey Ferguson-, New Holland- ja Case IH -malleihin.
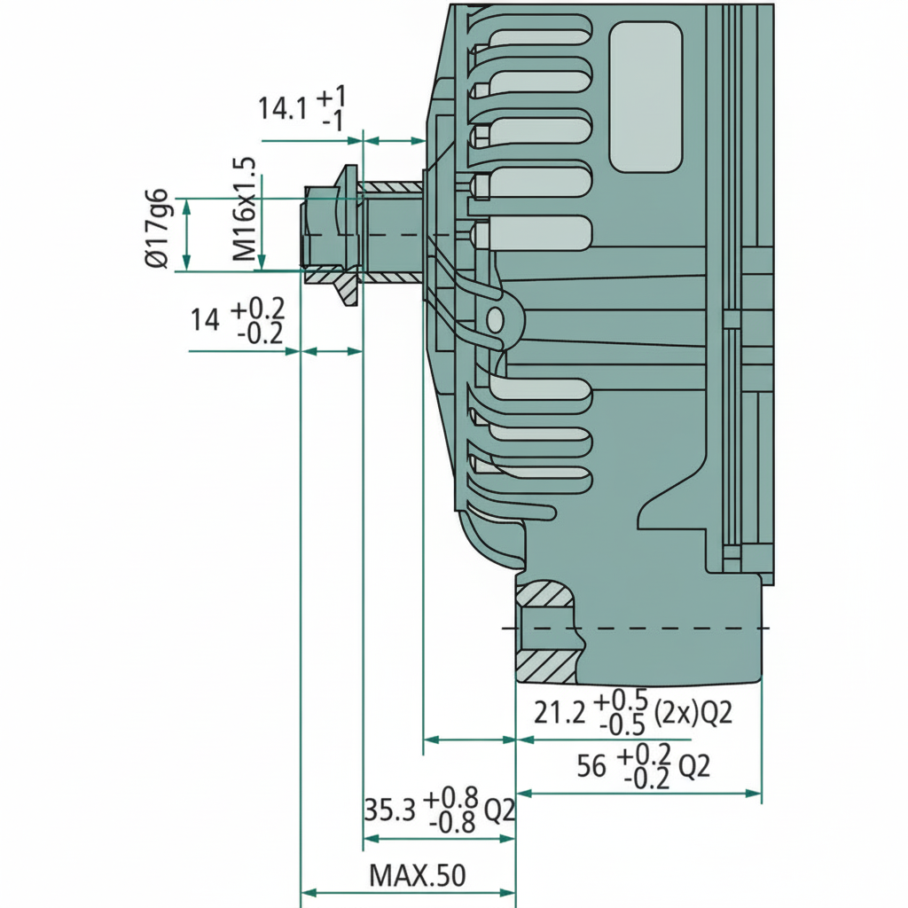
Tekniset tiedot
| Pyörimissuunta | myötäpäivään (↻) |
|---|---|
| Muoto | B |
| Latausvirta | 150 A |
| Hihnapyörän Ø | – |
| Nimellisjännite | 14 V |
| Asennuskulma | 60° |
| Asennus L / d / R | 56,0 mm / 10,2 mm / 90,0 mm |
| Hihnan leveys / tyyppi | – |
| Laipan mitta | 56,0 mm |
| Lisätiedot | Kompakti laturi, pölytiivis |
| Huomautus | Tarkista akselin pituus piirustuksen avulla. |
| Kiinnitysreiän Ø / R | 10,2 mm / 90,0 mm |
| Nimellisarvot (V / A) | 14 / 150 |
| Paino | 7,74 kg |
Sopivuudet
- John Deere: 5100M, 5620, 5720, 5820, 6010SE, 6020SE, 6110, 6110SE, 6115M, 6120, 6120SE, 6125R, 6130, 6130M, 6130R, 6140M, 6140R, 6150M, 6150R, 6170M, 6170R, 6190R, 6210, 6210SE, 6220, 6220SE, 6310, 6310SE, 6320, 6410, 6410SE, 6420, 6420S, 6510, 6520, 6534, 6610, 6620, 6810, 6820, 6910, 6910S, 6920, 6920S, 7220, 7420, 7520
- Fendt Vario: 309, 310, 311, 312, 412, 711, 712, 714, 716, 718, 724, 815, 817, 818, 819, 822, 824, 826, 828, 922, 924, 927, 930, 933, 936; Xylon: 520, 522, 524
- Deutz / Deutz-Fahr: Agrotron 210, 235, 265; K610; M600, M610, M620; TTV 610, TTV 620, TTV 630; Series 5, Series 6, Series 7
- Sampo-Rosenlew: 3000-sarja
- Massey Ferguson: 5400-, 6400-, 7400-sarjat (Sisu Diesel ja Perkins -sovelluksia)
- Valtra: N113 H3, N113 H5, N123 H3, N123 H5, N143 Direct, N143 H3, N143 Versu, N163 Direct, N163 Versu, T133H, T153 Direct, T153 Versu, T153H, T163e Direct, T163e Versu, T173H, T183 Direct, T183 Versu, T193H, T203,N93, N93 H3, N103, N103 H3, N103 H5
- New Holland: T7030, T7040, T7050, T7060
- Case IH: MX Magnum 210, 230, 255, 285; Puma 165, 180, 195, 210
Vertailu- ja alkuperänumerot
- John Deere: AL171541, JDAL171541, AL166647
- Deutz: 01180758, 01181741, 01182401, 01182691, 01183185, 01183483, 01183606
- Bosch: 0123515504
- Iskra / Mahle: MG52, MG699, MG122, MG121, 1.201.794, 11.203.051, 11.203.409, 11.203.424, 11.203.500, 11.203.590, 11.203.803, 11.204.065, 11.204.242, 11.204.247, 11.204.249, 11.204.254, 11.204.271, 11.204.276, 11.204.445, 11.204.526, 11.204.550, AAN5105, AAN5120, AAN5301, AAN5515, AAN5520, AAN5544, AAN5574, AAN5734, AAN5850, AAN5876, AAN5887, AAN8154, AAN8159, AAN8161, AAN8166, AAN8182, AAN8185, IA0794, IA1025, IA1117, IA1231, IA1233, IA1249, IA1318, IA1375, IA1544, IA1620, LAT2077, LAT2077L
- AGCO (MF/Valtra): F404900010050, 4280470F91, 4281878M92, 4281878M93, 4281880M092, 4281880M92, 4281880M93, 4288341M91, 836667315, 88601600, 89685300,V836674243,ACV0085330,V836674241
- Same / Lamborghini: 01183185 (Same), 01182691 (Lamborghini)
- CNH: 87452821
Tuotepakkaus:
mitat: 18,6 cm (l) x 24,8 cm (k) x 17,5 cm (p)
paino: 8,00 kg
Liittyvät tuotteet