WEG W21 sähkömoottori 0,37 kW 1500 rpm B35T laippa + jalka ALU 71 IE3 230/400V
Tuotekoodi: THW037B351500

WEG W21 sähkömoottori 0,37 kW 1500 rpm B35T laippa + jalka ALU 71 IE3 230/400V

Tuotekoodi: THW037B351500

Tuotekuvaus

WEG W21 Multimounting – 0,37 kW IE3, 4-napainen, B35 (jalka + laippa)

Kompakti ja energiatehokas 4-napainen (~1500 r/min) yleismoottori kohteisiin, joissa tarvitaan sekä laippa- että jalkakiinnitys (B35). Alumiinirunko, irrotettavat jalat ja 90° välein kääntyvä liitäntäkotelo tekevät asennuksesta joustavan ilman lisäkoneistuksia.

Keskeiset edut

  • IE3 (IEC 60034-30-1) – pienempi kulutus ja parempi elinkaaritalous
  • Multimounting – alumiinirunko, irrotettavat jalat, kääntyvä kotelo
  • TEFC, IP55 – pölynsuojattu ja roisketiivis
  • B35 – laippa + jalat samassa rungossa, helppo vaihtomoottori

Tekniset tiedot

Teho0,37 kW
Napamäärä4 (synk. 1500 r/min; nimellisnopeus tyyp. ~1380–1400 r/min @ 50 Hz)
Jännite / taajuus3~ 230/400 V, 50 Hz
KytkentäΔ 230 V / Y 400 V
HyötysuhdeluokkaIE3 (Premium Efficiency)
JäähdytysIC411, TEFC (täysin suljettu, ulkopuolinen tuuletin)
KotelointiluokkaIP55
KäyttöluokkaS1 (jatkuva)
EristysluokkaF (lämpötilanousu tyypillisesti luokka B)
Nimellismomentti≈ 2,5 Nm (ohjeellinen @ ~1400 r/min)
MallisarjaWEG W21 Aluminium Multimounting
RunkokokoIEC 71
RunkoAlumiini, irrotettavat jalat
AsennusB35 (laippa + jalat), liitäntäkotelo kääntyvä 90° välein

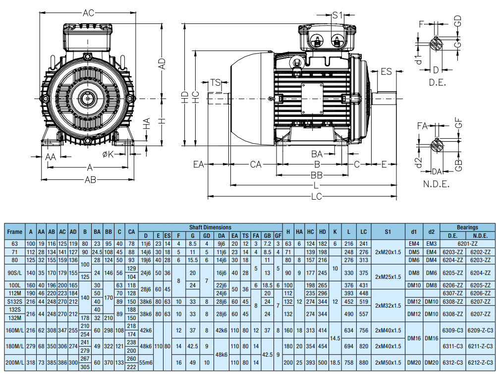
Mekaaniset mitat (IEC 71, B35 – viitteelliset)

Akselikorkeus71 mm
Tassujen reikien väli (poikittain)112 mm
Tassujen reikien väli (pituussuunta)90 mm
Akselin halkaisija14 mm
Akselin vapaapituus30 mm

Laippamitat (B5-tyyppi, IEC 71 – viitteelliset)

Laipan Ø ~160 mm
Keskireikä ~110 mm
Pulttikehä ~130 mm
Kiinnitysreikiä4 kpl

Sovelluskohteet

  • Pienet pumput, puhaltimet ja kuljettimet
  • Koneikot ja muut yleiskäyttöiset laitteet

Asennusvinkit

  • Varmista laippa- ja jalustamittojen yhteensopivuus sekä kytkimen/hihnapyörän sovitus
  • Käytä oikeaa Δ/Y-kytkentää ja aseta moottorinsuoja nimellisvirralle
  • Huolehdi jäähdytysilman kierrosta; pidä puhallin ja rivat puhtaina