WEG W21 sähkömoottori 0,37 kW 3000 rpm B35T laippa + jalka ALU 71 IE3 230/400V
Tuotekoodi: THW037B353000

WEG W21 sähkömoottori 0,37 kW 3000 rpm B35T laippa + jalka ALU 71 IE3 230/400V

Tuotekoodi: THW037B353000

Tuotekuvaus

WEG W21 Multimounting – 0,37 kW IE3, 2-napainen, B35 (jalka + laippa)

Kompakti ja energiatehokas 2-napainen (~3000 r/min synkroninen) yleismoottori kohteisiin, joissa tarvitaan sekä laippa- että jalkakiinnitys (B35). Alumiinirunko, irrotettavat jalat ja 90° välein kääntyvä liitäntäkotelo helpottavat asennusta ilman lisäkoneistuksia ja tekevät moottorista suoraan vaihdettavan IEC 71 -runkokoon B35-moottoreiden kanssa.

Keskeiset edut

  • IE3 Premium Efficiency (IEC 60034-30-1) – pienempi energiankulutus ja alemmat elinkaarikustannukset
  • Multimounting – alumiinirunko, irrotettavat jalat, liitäntäkotelo kääntyvä 90° välein
  • TEFC, IP55 – pölynsuojattu ja roisketiivis teollisuus-, kiinteistö- ja maatalousympäristöihin
  • B35 – laippa + jalat samassa rungossa, helppo vaihtomoottori

Tekniset tiedot

Teho0,37 kW
Napamäärä2 (synk. 3000 r/min; nimellisnopeus tyyp. ~2800–2900 r/min @ 50 Hz)
Jännite / taajuus3~ 230/400 V, 50 Hz (nimellisalue 220–240 / 380–415 / 460 V)
KytkentäΔ 230 V / Y 400 V
HyötysuhdeluokkaIE3 (Premium Efficiency)
JäähdytysIC411, TEFC (täysin suljettu, ulkopuolinen tuuletin)
KotelointiluokkaIP55
KäyttöluokkaS1 (jatkuva)
EristysluokkaF (lämpötilanousu tyyp. B)
Nimellismomentti≈ 1,2–1,3 Nm @ ~2850 r/min (ohjeellinen)
MallisarjaWEG W21 Aluminium Multimounting
RunkokokoIEC 71
AsennusB35 (laippa + jalat), liitäntäkotelo kääntyvä 90° välein

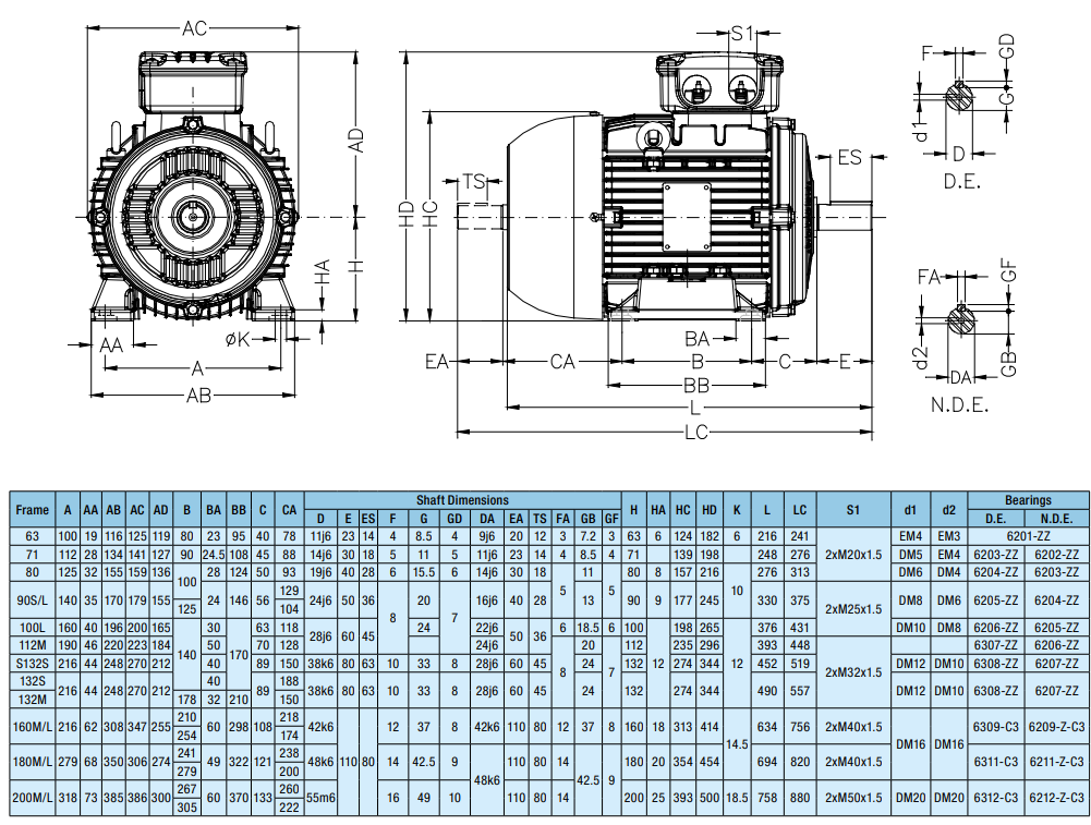
Mekaaniset mitat (IEC 71, B35 – viitteelliset)

Akselikorkeus71 mm
Tassujen reikien väli (poikittain)112 mm
Tassujen reikien väli (pituussuunta)90 mm
Akselin halkaisija14 mm
Akselin vapaapituus30 mm

Laippamitat (B5, IEC 71 – viitteelliset)

Laipan ulkohalkaisija~160 mm
Keskireikä / kaulus~110 mm
Pulttikehä~130 mm
Kiinnitysreikiä~4 kpl, M8-sopiva

Sovelluskohteet

  • Pumput, puhaltimet, kuljettimet
  • Pienet koneikot ja yleiskäyttöiset laitteet

Asennusvinkit

  • Varmista laippa- ja jalustamittojen yhteensopivuus sekä kytkimen/hihnapyörän sovitus
  • Käytä oikeaa Δ/Y-kytkentää ja aseta moottorinsuoja nimellisvirralle
  • Huolehdi jäähdytysilman kierrosta; pidä puhallin ja rivat puhtaina