WEG W21 sähkömoottori 0,55 kW 1500 rpm B3T ALU 80 IE3 230/400 V
Tuotekoodi: THW055B31500
WEG W21 sähkömoottori 0,55 kW 1500 rpm B3T ALU 80 IE3 230/400 V
Tuotekoodi: THW055B31500Tuotekuvaus
WEG W21 Multimounting – 0,55 kW IE3, 4-napainen (B3T jalkakiinnitys)
Kompakti ja energiatehokas 4-napainen (~1500 r/min) yleismoottori pumppuihin, puhaltimiin, kuljettimiin ja muuhun koneistoon. Alumiinirunko, irrotettavat jalat ja 90° välein kääntyvä liitäntäkotelo tekevät asennuksesta joustavan ja vaihdon helpoksi IEC-standardeihin nähden.
Keskeiset edut
- IE3 Premium Efficiency – pienempi sähkönkulutus ja parempi elinkaaritalous
- Multimounting – alumiinirunko, irrotettavat jalat, kääntyvä liitäntäkotelo
- TEFC, IP55 – pölynsuojattu ja roisketiivis teollisuus- ja maatalouskäyttöön
- IEC-yhteensopiva – suora vaihtomoottori 80-runkoisiin B3-asennuksiin
Tekniset tiedot
| Teho | 0,55 kW |
|---|---|
| Napamäärä | 4 (synk. 1500 r/min; nimellisnopeus tyyp. ~1430–1450 r/min @ 50 Hz) |
| Jännite / taajuus | 3~ 230/400 V, 50 Hz (nimellisalue 220–240 / 380–415 / 460 V) |
| Kytkentä | Δ 230 V / Y 400 V |
| Hyötysuhdeluokka | IE3 (IEC 60034-30-1) |
| Käyttöluokka | S1 (jatkuva) |
| Eristysluokka | F (lämpötilanousu tyyp. luokka B) |
| Jäähdytys | IC411, TEFC (täysin suljettu, ulkopuolinen tuuletin) |
| Kotelointiluokka | IP55 |
| Nimellismomentti | ≈ 3,6–3,7 Nm @ ~1450 r/min (ohjeellinen) |
| Mallisarja | WEG W21 Aluminium Multimounting |
| Runkokoko | IEC 80 |
| Asennus | B3T jalkakiinnitys, jalat irrotettavat (multimounting) |
| Liitäntäkotelo | Kääntyvä 90° välein, kaapelointi ylhäältä tai sivuilta |
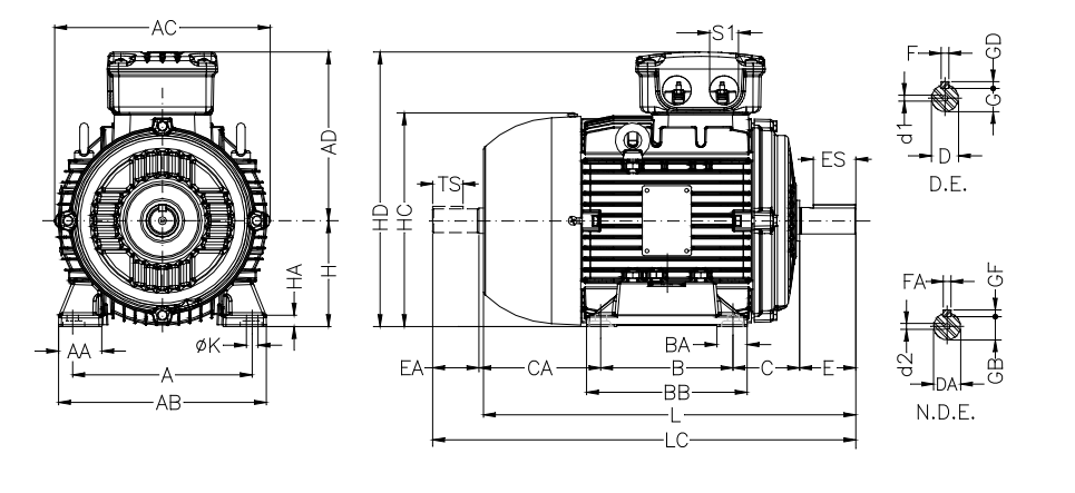
Mekaaniset mitat (IEC 80, B3 – viitteelliset)
| H – akselikorkeus | 80 mm |
|---|---|
| A – tassujen reikien väli (poikittain) | 125 mm |
| B – tassujen reikien väli (pituussuunta) | 100 mm |
| D – akselin halkaisija | 19 mm |
| E – akselin vapaapituus | 40 mm |
| Jalkareikien Ø | ≈ 9,5 mm (M8) |
Sovelluskohteet
- Pumput ja kiertovesipumput
- Puhaltimet ja puhallinkoneikot
- Kuljettimet, pienet nostimet ja annostelijat
- Yleiskäyttöiset teollisuus- ja kiinteistökoneet
Asennusvinkit
- Tarkista akseli- ja jalustamitat sekä kytkimen/hihnapyörän sovitus
- Aseta moottorinsuoja nimellisvirralle ja käytä oikeaa Δ/Y-kytkentää
- Varmista riittävä jäähdytysilman kierto; pidä puhallin ja rivat puhtaina