WEG W21 sähkömoottori 0,55 kW 3000 rpm B35T laippa + jalka ALU 71 IE3 230/400V
Tuotekoodi: THW055B353000

WEG W21 sähkömoottori 0,55 kW 3000 rpm B35T laippa + jalka ALU 71 IE3 230/400V

Tuotekoodi: THW055B353000

Tuotekuvaus

WEG W21 Multimounting – 0,55 kW IE3, 2-napainen, B35T (laippa + jalka)

Nopea 2-napainen (~3000 r/min synkroninen) yleismoottori pumppuihin, puhaltimiin, kuljettimiin ja muuhun teollisuus- ja kiinteistökäyttöön. Alumiinirunko, irrotettavat jalat ja 90° välein kääntyvä liitäntäkotelo mahdollistavat useat IEC-asennusmuodot ilman koneistusta. Täysin yhteensopiva IEC 71 -runkokoon B35-moottorien kanssa.

Keskeiset edut

  • IE3 Premium Efficiency (IEC 60034-30-1) – pienempi energiankulutus ja parempi elinkaaritalous
  • Multimounting – laippa + jalat samassa rungossa, irrotettavat jalat, kääntyvä liitäntäkotelo
  • TEFC, IP55 – pölynsuojattu ja roisketiivis vaativiin ympäristöihin
  • IEC-yhteensopiva – suora vaihtomoottori 71-runkoisiin B35-asennuksiin

Tekniset tiedot

Teho0,55 kW
Napamäärä2 (synk. 3000 r/min; nimellisnopeus tyyp. ~2850–2900 r/min @ 50 Hz)
Jännite / taajuus3~ 230/400 V, 50 Hz (alue 220–240 / 380–415 V)
KytkentäΔ 230 V / Y 400 V
HyötysuhdeluokkaIE3 (Premium Efficiency)
KotelointiluokkaIP55
JäähdytysIC411, TEFC (täysin suljettu, ulkopuolinen tuuletin)
KäyttöluokkaS1 (jatkuva)
EristysluokkaF
Nimellismomentti≈ 1,8 Nm @ ~2850 r/min (ohjeellinen)
MallisarjaWEG W21 Aluminium Multimounting
RunkokokoIEC 71
AsennusB35 (laippa + jalat), liitäntäkotelo kääntyvä 90° välein

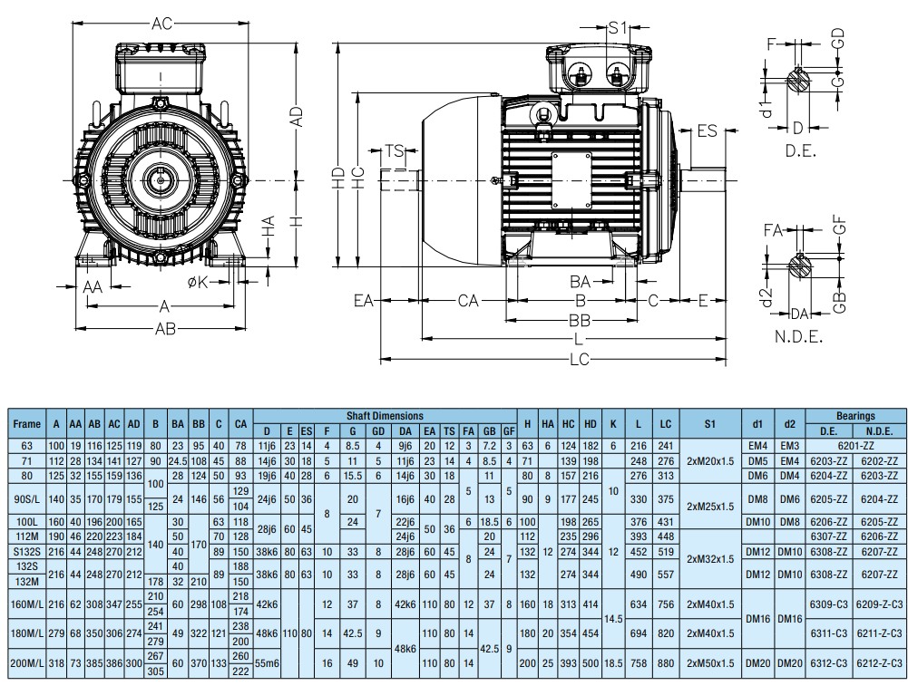
Mekaaniset mitat (IEC 71 – viitteelliset)

Jalka-asennus (B3-perusmitat)

Akselikorkeus71 mm
Tassujen reikien väli (poikittain)112 mm
Tassujen reikien väli (pituussuunta)90 mm
Akselin halkaisija14 mm
Akselin vapaapituus30 mm

Laippa (B5, IEC 71)

Laipan ulkohalkaisija≈ 160 mm
Pulttikehän halkaisija≈ 130 mm
Keskitys/kaulus≈ 110 mm
Kiinnitysreikiä4 kpl (M8-sopiva reikä)

Sovelluskohteet

  • Pumput ja paineenkorotuspumput
  • Puhaltimet ja koneikot
  • Kuljettimet ja syöttölaitteet
  • Muut laitteet, joissa vaaditaan 2-napainen moottori ja B35-kiinnitys

Asennusvinkit

  • Tarkista jalka- ja laippamitat sekä kytkimen/hihnapyörän sovitus ennen asennusta
  • Käytä oikeaa Δ/Y-kytkentää ja säädä moottorinsuoja nimellisvirralle
  • Huolehdi jäähdytysilman kierrosta; pidä puhallin ja jäähdytysrivat puhtaina