WEG W21 sähkömoottori 0,55 kW 3000 rpm B3T ALU 71 IE3 230/400 V
Tuotekoodi: THW055B33000
WEG W21 sähkömoottori 0,55 kW 3000 rpm B3T ALU 71 IE3 230/400 V
Tuotekoodi: THW055B33000Tuotekuvaus
WEG W21 Multimounting – 0,55 kW IE3, 2-napainen, B3T (jalkakiinnitys)
Kompakti ja energiatehokas 2-napainen (~3000 r/min synkroninen) yleismoottori pumppuihin, puhaltimiin, kuljettimiin ja muuhun teollisuus- ja kiinteistökäyttöön. Alumiinirunko, irrotettavat jalat ja 90° välein kääntyvä liitäntäkotelo mahdollistavat joustavan asennuksen useisiin IEC-asennusmuotoihin ilman koneistuksia. Suoraan yhteensopiva IEC 71 -runkokoon asennusten kanssa.
Keskeiset edut
- IE3 Premium Efficiency (IEC 60034-30-1) – pienempi energiankulutus ja parempi elinkaaritalous
- Multimounting – alumiinirunko, irrotettavat jalat, liitäntäkotelo kääntyvä 90° välein
- TEFC, IP55 – pölynsuojattu ja roisketiivis teollisuus- ja maatalousympäristöihin
- IEC-yhteensopiva – suora vaihtomoottori 71-runkoisiin B3-asennuksiin
Tekniset tiedot
| Teho | 0,55 kW |
|---|---|
| Napamäärä | 2 (synk. 3000 r/min; nimellisnopeus tyyp. ~2850–2900 r/min @ 50 Hz) |
| Jännite / taajuus | 3~ 230/400 V, 50 Hz (alue 220–240 / 380–415 / 460 V) |
| Kytkentä | Δ 230 V / Y 400 V |
| Hyötysuhdeluokka | IE3 (Premium Efficiency) |
| Kotelointiluokka | IP55 |
| Jäähdytys | IC411, TEFC (täysin suljettu, ulkopuolinen tuuletin) |
| Käyttöluokka | S1 (jatkuva) |
| Eristysluokka | F (lämpötilanousu tyypillisesti luokka B) |
| Nimellismomentti | ≈ 1,8 Nm @ ~2850 r/min (ohjeellinen) |
| Mallisarja | WEG W21 Aluminium Multimounting |
| Runkokoko | IEC 71 |
| Asennus | B3 (jalkakiinnitys), jalat irrotettavat (multimounting), liitäntäkotelo kääntyvä 90° välein |
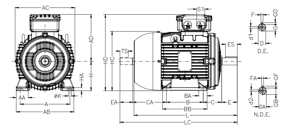
Mekaaniset mitat (IEC 71, B3 – viitteelliset)
| H – akselikorkeus | 71 mm |
|---|---|
| A – tassujen reikien väli (poikittain) | 112 mm |
| B – tassujen reikien väli (pituussuunta) | 90 mm |
| D – akselin halkaisija | 14 mm |
| E – akselin vapaapituus | 30 mm |
Sovelluskohteet
- Pumput ja paineenkorotuspumput
- Puhaltimet ja koneikot
- Kuljettimet ja syöttölaitteet
- Yleiset koneikot, joissa tarvitaan 2-napainen moottori
Asennusvinkit
- Varmista jalusta- ja akselimitoitus sekä kytkimen/hihnapyörän sopivuus
- Käytä oikeaa Δ/Y-kytkentää ja aseta moottorinsuoja nimellisvirralle
- Huolehdi jäähdytysilman kierrosta; pidä puhallin ja rivat puhtaina