WEG W21 sähkömoottori 0,75 kW 3000 rpm B3T ALU 80 IE3 230/400 V
Tuotekoodi: THW075B33000
WEG W21 sähkömoottori 0,75 kW 3000 rpm B3T ALU 80 IE3 230/400 V
Tuotekoodi: THW075B33000Tuotekuvaus
WEG W21 Multimounting – 0,75 kW IE3, 2-napainen, B3T (jalkakiinnitys)
Nopea 2-napainen (~3000 r/min synkroninen) yleismoottori pumppuihin, puhaltimiin, kuljettimiin ja koneikoihin. Alumiinirunko, irrotettavat jalat ja 90° välein kääntyvä liitäntäkotelo mahdollistavat useat IEC-asennusmuodot ilman koneistusta. Sopii suoraan vaihtomoottoriksi IEC 80 -runkokoon asennuksiin.
Keskeiset edut
- IE3 Premium Efficiency (IEC 60034-30-1) – pienempi energiankulutus ja parempi elinkaaritalous
- Multimounting – irrotettavat jalat, kääntyvä liitäntäkotelo, useita asennusasentoja
- TEFC, IP55 – pölynsuojattu ja roisketiivis vaativiin ympäristöihin
- IEC-yhteensopiva – mitoitus vastaa yleisiä IEC 80 -runkoisia moottoreita
Tekniset tiedot
| Teho | 0,75 kW |
|---|---|
| Napamäärä | 2 (synk. 3000 r/min; nimellisnopeus tyyp. ~2850–2900 r/min @ 50 Hz) |
| Nimellismomentti | ≈ 2,5 Nm (ohjeellinen @ ~2850 r/min) |
| Jännite / taajuus | 3~ 230/400 V, 50 Hz (alue 220–230–240 / 380–400–415 // 460–480 V) |
| Kytkentä | Δ 230 V / Y 400 V |
| Hyötysuhdeluokka | IE3 (Premium Efficiency) |
| Kotelointiluokka | IP55 |
| Jäähdytys | IC411, TEFC (täysin suljettu, ulkopuolinen tuuletin) |
| Käyttöluokka | S1 (jatkuva) |
| Eristysluokka | F (tyypillinen lämpötilanousu B) |
| Mallisarja | WEG W21 Aluminium Multimounting |
| Runkokoko | IEC 80 |
| Asennus | B3 (jalkakiinnitys), liitäntäkotelo kääntyvä 90° välein |
| Runkomateriaali | Alumiini |
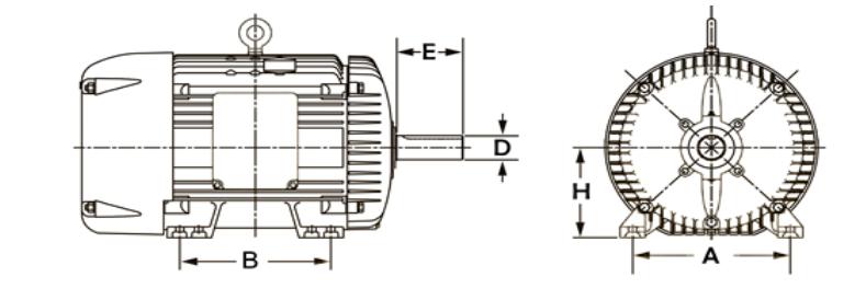
Mekaaniset mitat (IEC 80, B3 – viitteelliset)
| H – akselikorkeus | 80 mm |
|---|---|
| A – tassujen reikien väli (poikittain) | 125 mm |
| B – tassujen reikien väli (pituussuunta) | 100 mm |
| D – akselin halkaisija | 19 mm |
| E – akselin vapaapituus | 40 mm |
Sovelluskohteet
- Pumput ja paineenkorotuspumput
- Puhaltimet ja koneikot
- Kuljettimet ja syöttölaitteet
- Muut 2-napaiselle ~3000 r/min moottorille soveltuvat laitteet
Asennusvinkit
- Varmista jalka- ja akselimitat sekä kytkimen/hihnapyörän sovitus ennen asennusta
- Käytä oikeaa Δ/Y-kytkentää ja aseta moottorinsuojan nimellisvirta oikein
- Huolehdi jäähdytysilman vapaasta kierrosta; pidä puhallin ja rivat puhtaina