WEG W21 sähkömoottori 3,0 kW 3000 rpm B3T ALU 100L IE3 230/400V
Tuotekoodi: THW3B33000

WEG W21 sähkömoottori 3,0 kW 3000 rpm B3T ALU 100L IE3 230/400V

Tuotekoodi: THW3B33000

Tuotekuvaus

WEG W21 Multimounting – 3 kW IE3, 2-napainen (~3000 r/min), B3T (jalka)

Nopea ja kompakti IE3-yleismoottori pumppuihin, puhaltimiin, kuljettimiin, puhallinkaappeihin ja muuhun teollisuus- ja kiinteistökäyttöön. Alumiinirunko on kevyt mutta jäykkä, ja irrotettavat jalat (Multimounting) helpottavat asennusta sekä vaihtomoottorointia. Kääntyvä liitäntäkotelo (90° välein) mahdollistaa kaapeloinnin ylhäältä tai sivuilta. IEC 100L -mitoitus → suora korvaaja useimmille IEC 100L B3 -moottoreille ilman lisäkoneistuksia.

Miksi tämä malli

  • IE3 Premium Efficiency: pienempi energiankulutus ja käyttökustannus
  • Multimounting-jalat: sama runko moneen asennusmuotoon
  • IP55 + TEFC/IC411: kestää pölyä ja roiskevettä, sopii S1-jatkuvaan käyttöön
  • IEC-yhteensopiva: 100L B3 -mitoitus helpottaa vaihtoa

Tekniset tiedot

Teho3,0 kW
Napamäärä2 (synkroninen 3000 r/min @ 50 Hz)
Nimellisnopeus≈ 2850–2950 r/min
Nimellismomentti≈ 9,9 Nm (9550·P/n @ ~2900 r/min)
Jännitealue220–240 / 380–415 // 460 V, 50 Hz
VerkkokytkentäΔ 230 V / Y 400 V
HyötysuhdeluokkaIE3 (IEC 60034-30-1)
KotelointiluokkaIP55
JäähdytysIC411, TEFC (täysin suljettu, ulkojäähdytteinen)
KäyttöluokkaS1 (jatkuva)
EristysluokkaF
StandardiIEC 60034-1

Mekaaniset ominaisuudet

SarjaWEG W21 Aluminium Multimounting
RunkokokoIEC 100L
RunkomateriaaliAlumiini
AsennusB3 (jalka), liitäntäkotelo kääntyvä 90° välein
JalatIrrotettavat (Multimounting)

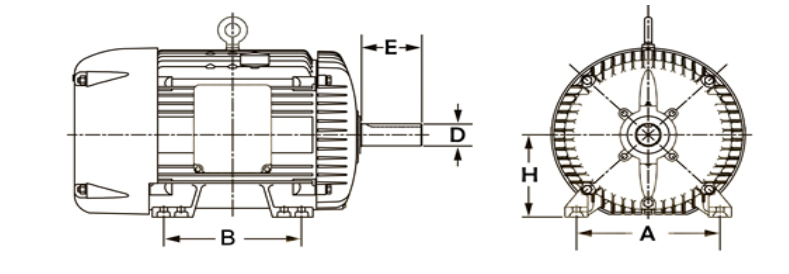
Asennusmitat – IEC 100L, B3 (viitteelliset IEC-standardin mukaan)

H – akselikorkeus100 mm
A – tassujen reikien väli, poikittain160 mm
B – tassujen reikien väli, pituus140 mm
D – akselin halkaisija28 mm
E – akselin vapaapituus60 mm