WEG W21 sähkömoottori 4,0 kW 3000 rpm B3T ALU 112M IE3 400/690V
Tuotekoodi: THW4B33000
WEG W21 sähkömoottori 4,0 kW 3000 rpm B3T ALU 112M IE3 400/690V
Tuotekoodi: THW4B33000Tuotekuvaus
WEG W21 Multimounting – 4 kW IE3, 2-napainen (~3000 r/min)
Tehokas ja energiatehokas yleismoottori vaativaan teollisuus- ja prosessikäyttöön. Soveltuu erityisesti pumppuihin, puhaltimiin, kuljettimiin, puhallinkaappeihin ja muuhun koneistoon, jossa tarvitaan nopea ja kompakti 3000 r/min -moottori.
Keskeiset hyödyt
- IE3 Premium Efficiency: pienempi energiankulutus ja käyttökustannus
- Multimounting: irrotettavat jalat ja kääntyvä liitäntäkotelo (90° välein) → helppo konfiguroida ilman koneistusta
- IEC-yhteensopivuus: runkokoko 112M, suora vaihtomoottori valurautarunkoisten IEC-moottoreiden tilalle
- IP55 + TEFC/IC411: kestävä pölyä ja roiskevettä vastaan
Sovelluksia
Pumput ja prosessipumput, puhaltimet ja ilmankäsittelykoneet, kuljettimet ja syöttölaitteet, puhallinkaapit, lämmönsiirtimet sekä erilaiset prosessikoneet.
Tekniset tiedot
| Teho | 4 kW |
|---|---|
| Napamäärä | 2 (synkroninen 3000 r/min @ 50 Hz) |
| Nimellisnopeus | ≈ 2900 r/min @ 50 Hz |
| Nimellismomentti | ≈ 13,2 Nm |
| Jännitealue (katalogi) | 380–400–415 / 660–690 // 460 V, 50 Hz |
| Kytkentä (EU) | Δ 400 V / Y 690 V |
| Nimellisvirta | 7,62 A (Δ 400 V), 4,42 A (Y 690 V) |
| Tehokerroin | cos φ ≈ 0,86 |
| Hyötysuhde | ≈ 88,1 % (IE3) @ 50 Hz |
| Hyötysuhdeluokka | IE3 (IEC 60034-30-1) |
| Standardi | IEC 60034-1 |
| Kotelointiluokka | IP55 |
| Jäähdytys | IC411, TEFC (täysin suljettu, ulkojäähdytteinen) |
| Käyttöluokka | S1 (jatkuva) |
| Eristysluokka | F |
Mekaaniset ominaisuudet
| Sarja | WEG W21 Aluminium Multimounting |
|---|---|
| Runkokoko | IEC 112M |
| Runkomateriaali | Alumiini |
| Asennus | B3T = jalkakiinnitys, liitäntäkotelo rungon päällä (kääntyvä 90° välein) |
| Jalat | Irrotettavat (Multimounting) |
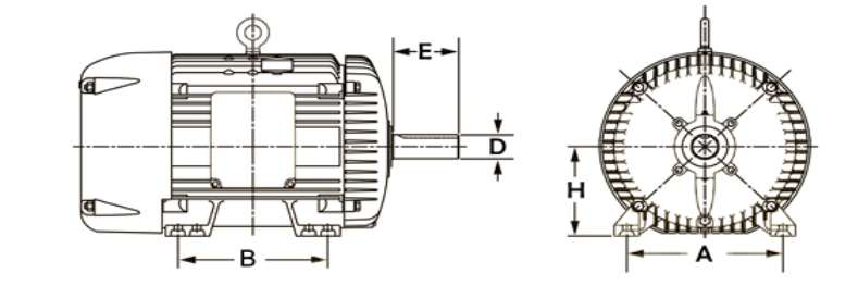
Asennusmitat – IEC 112M, B3 (viitteelliset IEC-standardin mukaan)
| H – akselikorkeus | 112 mm |
| A – tassujen reikien väli, poikittain | 190 mm |
| B – tassujen reikien väli, pituus | 140 mm |
| D – akselin halkaisija | 28 mm |
| E – akselin vapaapituus | 60 mm |